• RLA26 - 구형 프로파일의 트랙 롤러
  • RLA26 - 구형 프로파일의 트랙 롤러
  • RLA26 - 구형 프로파일의 트랙 롤러
  • RLA26 - 구형 프로파일의 트랙 롤러

RLA26 - 구형 프로파일의 트랙 롤러

No.RLA26ZZ
다른 코드: RLA26Z PEN26 RLA26ZZ RLA26.2Z RLAX26 X 레일에 사용
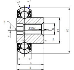
(mm)
11.5
비(mm)
11.8
씨(mm)
6
디(mm)
11.2
디(mm)
20.2
전자(mm)
8
에프(mm)
1
흠)
HEX4 DEEP2.8
엠(mm)
M5
R (mm)
20
전자(mm)
0.6
크롬(N)
2250
C0r(N)
920
무게(g)
13
유지:
일반적인
HTG 고온
식품 등급 그리스
  • RLA26 - 구형 프로파일의 트랙 롤러
  • RLA26 - 구형 프로파일의 트랙 롤러

설명

구형 프로파일의 트랙 롤러 - RLA26Z PEN26 RLA26ZZ RLA26.2Z RLAX26
트랙 롤러 시리즈 RLA26...은 정밀 리니어 모션 가이드에 일반적으로 사용되는 정밀 볼 베어링입니다.
각각 고무 씰과 금속 실드가 함께 제공되며 동심 피벗과 편심 피벗도 함께 사용할 수 있습니다.

재료:
베어링: 고품질 크롬강 또는 마르텐사이트계 스테인리스강. 예: 100Cr6 SUS440C
피벗: 고품질 탄소강 또는 스테인리스강. 예: 1045 SUS304